Classification of Multilevel Inverters
Multilevel inverters are classified into various topologies based on the voltage clamping methods used to generate stepped output voltage. These inverter structures are designed to produce high quality AC output with reduced harmonic distortion and improved efficiency. The major classifications of multilevel inverters are listed below.
Types of Multilevel Inverters
- Diode Clamped Multilevel Inverters
- Flying Capacitor Multilevel Inverters
- Cascaded H Bridge Inverters
- Hybrid Multilevel Inverters
1. Diode Clamped Multilevel Inverters

In diode clamped multilevel inverters, diodes are used as clamping devices to control the DC bus voltage. These diodes clamp the voltage to different levels so that stepped output voltage can be produced. The DC link voltage is divided using capacitors and clamping diodes connect the switches to the neutral point.
This topology requires a large number of clamping diodes as the number of voltage levels increases. A common example of this inverter is the Neutral Point Clamped inverter.
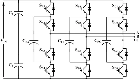
2. Flying Capacitor Multilevel Inverters

In flying capacitor multilevel inverters, capacitors are used instead of diodes to clamp the DC bus voltage. These capacitors store electrical energy and help in producing different voltage levels in the output waveform.
The number of clamping capacitors increases as the voltage level increases. Although this topology provides flexibility in voltage control, it requires many capacitors and complex voltage balancing methods.
3. Cascaded H Bridge Inverters

Cascaded H bridge multilevel inverters consist of several single phase full bridge inverter units connected in series. Each H bridge unit is supplied by a separate DC source. By combining the output of each unit, multiple voltage levels are generated at the output.
This structure does not require clamping diodes or clamping capacitors. Due to its modular structure and simplicity, cascaded H bridge inverters are widely used in renewable energy systems and high power applications.
4. Hybrid Multilevel Inverters

Hybrid multilevel inverters combine different multilevel inverter topologies to improve output waveform quality and system performance. These structures use multiple DC sources with different voltage magnitudes.
In general, asymmetric DC source multilevel inverters can produce higher output voltage levels with fewer components. They also help reduce total harmonic distortion compared to symmetric DC source configurations.
Hybrid multilevel inverters can be implemented in single phase, three phase, five phase, and six phase inverter systems.
Additional Notes
Multilevel inverters can start from two level structures and extend to three level, four level, five level and up to m level inverter configurations depending on the design requirements. Among these, the three level diode clamped inverter is commonly known as the Neutral Point Clamped inverter.
Each type of multilevel inverter has its own construction, operating principle, advantages, disadvantages, and applications. These topologies are widely used in medium voltage drives, renewable energy systems, electric vehicles, and power quality improvement systems.

